
R473系列不锈钢背压阀
结构特点 FEATURES
活塞式结构,可承受超高背压(10000PSIG),压力控制精准,复位
压力为开启压力的95%,自锁式手轮设计,防止误操作,适用
6N高纯气体应用
可选面板式或墙式安装
适用范围 TYPICALPPLICATIONS
实验室、气体分析、制程控制、化工装置
特性参数 SPECIFICATIONS
上游控制压力:5~500PSIG、80~800PSIG、150~1500、250~2500PSIG
400~4000、1000~10000PSIG
适用温度:-40°~+74°

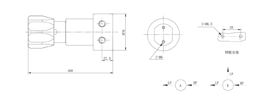
安装尺寸示意图 DIMENSIONS

订购指南 ORDERINGINFORMATIOW
